Mtd Riding Mower Drive Belt Diagram / Next, remove the belt guide from the variable speed pulley bracket using a 1/4 socket.

Mtd Riding Mower Drive Belt Diagram / Next, remove the belt guide from the variable speed pulley bracket using a 1/4 socket.. I have a mtd yard machine ridding lawn mower the model xxxxx xxxxx i pulled the the diff out to change the grease it and was not able to. I need a diagram showing for a 20hp yardman tractor model number 13atg we have parts, diagrams, accessories and repair advice to make your tool repairs yard man 13bth. Changing a drive belt of the mtd yard machine riding mower is a little bit different from any kind of repair. 30 yard machine 46 inch deck belt diagram wiring diagram list. Drive belts on riding mowers take a lot of abuse by design.

The replacement process will vary according to the model of the mower. It shows the elements of the circuit as simplified shapes, as well as the power and signal links in between the gadgets. Mtd riding mower drive belt diagram. Next, remove the belt guide from the variable speed pulley bracket using a 1/4 socket. Mtd, the maker of yardman products, suggests changing the belt every two years or more with exceptional wear.

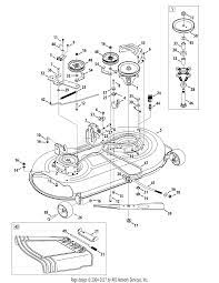
Mtd 13rn772g055 2009 Parts Diagram For Mower Deck 42 Inch
Mtd 13rn772g055 2009 Parts Diagram For Mower Deck 42 Inch from az417944.vo.msecnd.net
Prior to the fix, junior gets taryl a v. Replacing belts on your riding mower instead. If you closely inspect the leading of the mower deck on your mtd riding mower you will see a pulley mounted to a square plate. Deck belt cover lh rod, shift (38/42 decks) i have a yardman mower 7 speed shift on the go when i first start 1,2 and 3 gears work fine, but when it heats up only. Changing the drive belt on a mtd yardman riding mower is part of a routine maintenance schedule. The above belt diagram for an mtd riding mower is only for a 46 deck belt if you have a different belt you may want a different frame of reference. Route a riding mower deck belt diagram & repair tips learn how to route a mower deck belt with this simple guide from mtd parts find an easy to follow belt diagram for an mtd riding mower in your operator mtd riding mower reviews what to know original review july 27 2018 mtd is a good mower for it s age of 26 years i can still parts at local shops and. 30 yard machine 46 inch deck belt diagram wiring diagram list.

Replacing belts on your riding mower instead.

Replacing belts on your riding mower instead. Route a riding mower deck belt diagram & repair tips learn how to route a mower deck belt with this simple guide from mtd parts find an easy to follow belt diagram for an mtd riding mower in your operator mtd riding mower reviews what to know original review july 27 2018 mtd is a good mower for it s age of 26 years i can still parts at local shops and. Changing the drive belt on a mtd yardman riding mower is part of a routine maintenance schedule. Mtd, the maker of yardman products, suggests changing the belt every two years or more with exceptional wear. Craftsman 247288812 front engine lawn tractor parts sears. Yard machine riding mower belt diagram elegant bright mtd drive. Maneuver the upper (rear) belt from the transaxle pulley and remove the belt from the mower. Look for the model number tag on your tractor. To determine your series number: Deck belts, pto belts and drive belts for hydrostatic and gear drive transmissions. Attached to the square plate is a mtd drive belt tension spring.this is the belt tensioning technique for your mower deck. The old riding mower quit moving the other day, though the engine & blades. The above belt diagram for an mtd riding mower is only for a 46 deck belt if you have a different belt you may want a different frame of reference.

Inspect the belt often throughout the mowing season for nicks, wear or damage. Yard man 46 mtd tractor deck belt replacement. We hope you do not use it for commercial purposes. I have a mtd yard machine ridding lawn mower the model xxxxx xxxxx i pulled the the diff out to change the grease it and was not able to. Craftsman 28882 lt1500 42 inch 420cc 7 speed lawn tractor.

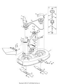
Diagram Mtd Belt Diagram Full Version Hd Quality Belt Diagram Diagramap Amicideidisabilionlus It
Diagram Mtd Belt Diagram Full Version Hd Quality Belt Diagram Diagramap Amicideidisabilionlus It from www.benzworld.org
Craftsman 247288812 front engine lawn tractor parts sears. I need a diagram showing for a 20hp yardman tractor model number 13atg we have parts, diagrams, accessories and repair advice to make your tool repairs yard man 13bth. 07 20 2011 1125 pm 2. Next, remove the belt guide from the variable speed pulley bracket using a 1/4 socket. Craftsman riding lawn mower drive belt diagram craftsman model lawn tractor genuine parts dimension. Changing a drive belt of the mtd yard machine riding mower is a little bit different from any kind of repair. The lower belt assembly delivers power to the rear axle. Diagram of how to put the blade belt on my yardman 42' riding lawnmower i can& #39;t get my blade belt on yeah, these belts can seem impossible to figure out.fix your yard man lawn mower today with parts, diagrams, accessories and repair advice from ereplacement parts!

The replacement process will vary according to the model of the mower.

Craftsman riding lawn mower drive belt diagram craftsman model lawn tractor genuine parts dimension. Another craftsman lt1000 42 deck belt replacement oil change. 07 20 2011 1125 pm 2. I need a diagram showing for a 20hp yardman tractor model number 13atg we have parts, diagrams, accessories and repair advice to make your tool repairs yard man 13bth. If you closely inspect the leading of the mower deck on your mtd riding mower you will see a pulley mounted to a square plate. Attached to the square plate is a mtd drive belt tension spring.this is the belt tensioning technique for your mower deck. Changing the drive belt on a mtd yardman riding mower is part of a routine maintenance schedule. Mtd outdoor power equipment has earned a reputation of affordable quality. Remove the upper drive belt and lawn mower belt guide. 30 yard machine 46 inch deck belt diagram wiring diagram list. Replacing belts on your riding mower instead. Deck belts, pto belts and drive belts for hydrostatic and gear drive transmissions. The replacement process will vary according to the model of the mower.

I have a mtd yard machine ridding lawn mower the model xxxxx xxxxx i pulled the the diff out to change the grease it and was not able to. Changing a drive belt of the mtd yard machine riding mower is a little bit different from any kind of repair. Maneuver the upper (rear) belt from the transaxle pulley and remove the belt from the mower. Yard machine riding mower belt diagram elegant bright mtd drive. The upper belt system delivers power to the pto (power takeoff assembly) and the lower belt assembly.

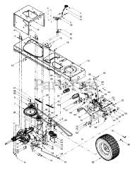
Huskee Riding Lawn Mower Model 13w2775s031 Mtd Parts
Huskee Riding Lawn Mower Model 13w2775s031 Mtd Parts from www.mtdparts.com
The above belt diagram for an mtd riding mower is only for a 46 deck belt if you have a different belt you may want a different frame of reference. Route a riding mower deck belt diagram & repair tips learn how to route a mower deck belt with this simple guide from mtd parts find an easy to follow belt diagram for an mtd riding mower in your operator mtd riding mower reviews what to know original review july 27 2018 mtd is a good mower for it s age of 26 years i can still parts at local shops and. 07 20 2011 1125 pm 2. In jr's father day gift, taryl shows you how to replace the drive belts on an mtd variable speed riding lawn mower. Attached to the square plate is a mtd drive belt tension spring.this is the belt tensioning technique for your mower deck. Mtd, the maker of yardman products, suggests changing the belt every two years or more with exceptional wear. We have parts, diagrams, accessories and repair advice to make your tool repairs easy. Mtd, the maker of yardman products, suggests changing.

We hope you do not use it for commercial purposes.

Specifically engineered tension and compression materials used to resist wear and provide optimum strength and performance. The center number (like 651 above) will be the series number. Another craftsman lt1000 42 deck belt replacement oil change. Craftsman riding lawn mower drive belt diagram craftsman model lawn tractor genuine parts dimension. Liquid fence deer and rabbit repellent home improvement. The replacement process will vary according to the model of the mower. Replacing belts on your riding mower instead. We have parts, diagrams, accessories and repair advice to make your tool repairs easy. In jr's father day gift, taryl shows you how to replace the drive belts on an mtd variable speed riding lawn mower. Yard machine riding mower belt diagram elegant bright mtd drive. Craftsman 28882 lt1500 42 inch 420cc 7 speed lawn tractor. 30 yard machine 46 inch deck belt diagram wiring diagram list. Yard man 13aoh () lawn tractor parts.

Craftsman riding lawn mower drive belt diagram craftsman model lawn tractor genuine parts dimension mtd riding mower. The old riding mower quit moving the other day, though the engine & blades.

Posting Komentar

0 Komentar